作者:海為用戶 楊工
摘 要:本文介紹了采用Haiwell S20M2T在啤酒生產行業中,殺菌機對冷凝水回收利用的控制;通過S20M2T 的I / O完成對各溫區的溫度檢測,并適時的控制電磁閥對回收冷凝水的添加及關閉,作為輔助加熱,從而保持水溫恒定達到工藝要求,這樣既充分利用了回收冷凝水的余熱,又利用了這部分軟化水。本文給出了詳細電路和部分程序.通過一段時間的運行表明,它具有良好的穩定性和可靠性,完全能夠滿足殺菌機對冷凝水回收利用的需要.
關鍵詞: 冷凝水 余熱 回收利用 電磁閥 占空比
在啤酒飲料生產行業中, 降低生產成本是每個生產廠家都十分關注的,現在包裝線的生產速度越來越高,從20000瓶/小時到36000瓶/小時再到60000瓶/小時,蒸汽的耗量也在不斷的增加。不論是啤酒的釀造還是包裝都會耗用大量的蒸汽,以36000瓶/小時包裝線為例,僅洗瓶機每小時就可產生冷凝水約3噸左右,這樣整個生產過程就會產生大量的冷凝水。冷凝水富含有較高的熱量,而且是硬度極小的軟化水,具有極高的利用價值,對冷凝水的回收利用越來越引起人們的重視。
1、應用功能描述

2、工藝流程說明:

3、系統需求分析:
在該冷凝水分配利用裝置中,需要對所注入殺菌機水箱中實際水溫進行測定,根據當前水溫和設定溫度控制冷凝水的注入量,配合另一路蒸汽加熱,以確保水箱內的水溫在工藝要求范圍內,同時盡最大程度對蒸汽綜合利用。利用Haiwell S20M2T實現該功能,方法簡單方便,同時成本又低。
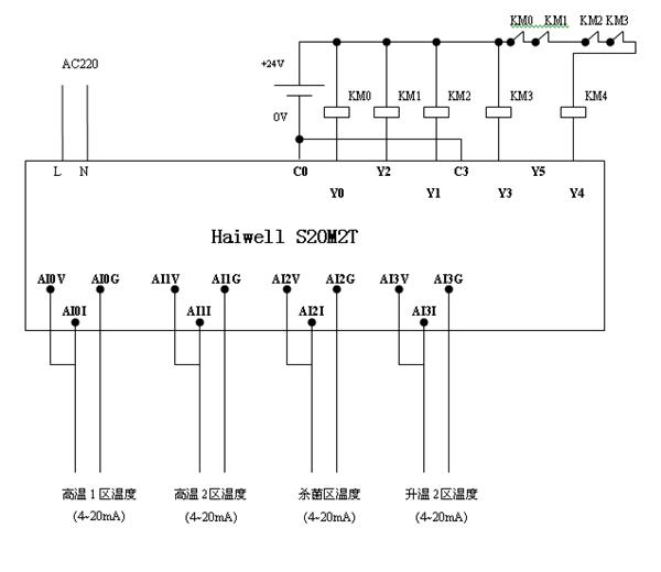
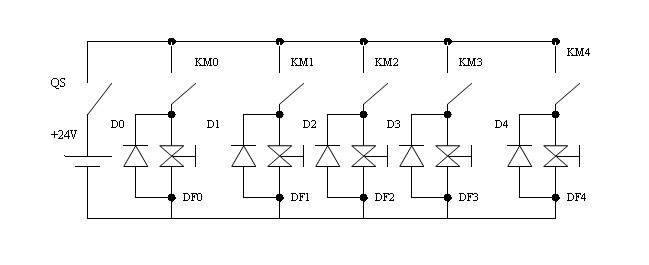
1、電氣控制原理圖及說明


![]()
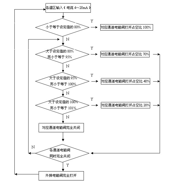
四路溫度檢測信號(4~20毫安)輸入S20M2T模擬量輸入端,在PLC內與預先設置的設定溫度值、設定溫度值的80%、設定溫度值的95%、設定溫度值的101%值進行比較,根據水箱的溫度,調整電磁閥打開的占空比,以此來控制電磁閥的開閉時間,從而控制冷凝水的添加。由于使用的是二位式通斷電磁閥,因而不能使用現有的FTC、GPWM和VC指令,只能用模糊控制經驗算法來實現。
2、I/O分配表

3、控制程序說明(部分程序)




4、 應用設備圖片展示




四、應用體會
HaiwellPLC S20M2T在試用過程中感覺很容易上手,上部端子為電源及數字量輸入輸出端,下部為模擬量輸入輸出端,整體設計緊湊。軟件是集成式的設計,幫助功能非常方便,編程過程中只要是雙擊鍵入的指令,該指令的解釋便立即顯示,再點擊幫助,詳細的介紹及舉例一一列出,真是太強大了。仿真功能更是簡單,錯誤提示、實時曲線監控等一目了然。感覺有點遺憾的是LD(梯形圖)和IL(指令表)編程不能轉化,計數器沒有復位功能,再就是編程過程中不能僅選定一行或二行來復制或剪切、粘貼操作,只要是選中必須是一個網絡。
另外有一個小小的建議:編程接口方面如果是增加USB接口和網線接口就更加完美了,手機、MP3、數碼像機等的數據線插上就可以用,不需要另外再添置一條編程線或信號線,與觸摸屏或其他上位機聯接更為方便,外出調試機器不需要再攜帶專門的編程線,有些品牌的PLC編程線需要幾百元、甚至上千元,如果增加USB接口就會降低了該PLC應用及學習的門檻,更有方便于Haiwell PLC的推廣和應用。以上只我個人的一點看法,不一定正確。
該裝置經過一段時間的使用,結果表明性能穩定,動作可靠靈敏,我相信這款高性價比的PLC會很快得到電氣設計及應用人員的青睞的。
衷心的希望我們國人自已的PLC能夠不斷完善,能夠在本土占有半壁江山,我想這不僅僅是我的愿望,也是我們炎黃子孫的期望!
由于能力有限加之時間緊迫,有不妥之處敬請大家批評指正。
[1] 參考文獻內容:《Haiwell PLC E/S 系列主機使用說明書》
[2] 參考文獻內容:《Haiwell PLC選型手冊2013》
海為公眾號
海為云APP
廈門海為科技有限公司
0592-3278716 (技術) | 4000-360-362 (商務)
海為總部:廈門市集美區軟件園三期C03棟13-14層 | 制造中心:廈門市翔安區火炬高新區(翔安)產業區垵邊南路336-2號4樓