作者:海為試用客戶 高工
編輯簡介:本文介紹一個以海為S16M0T系列 PLC 為控制系統在自動送料線中的應用,描述了控制要求及安裝、調試的基本情況及注意事項,并給出部分現場照片和PLC程序。海為S16M0T 型號的PLC 是集開關量、模擬量、輸入輸出脈沖為一體的性價比高的一款可編程控制器。我司用于包裝線其中的自動電線上料機上,便于以后修改和完善,采用步進電機和變頻器控制。
控制要求:啟動送電線輸送線X0,人工把包扎好的電線放入輸送線3,滿料X6感應后延時停止;輸送線1首先準備好接料(X2感應即停止),當X4入口未感應時輸送線2啟動,輸送線2運行直至X4感應后停止(X3感應即停止);輸送線1在X4感應后啟動,步進1格(X2感應即停止),直至物料到出口X5有感應后停止;包裝總線發出指令X1要料信號,輸送線1前進1格,把X5感應到的物料放到總包裝線上,輸出完成信號Y1。
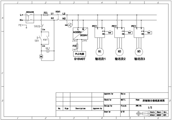
電氣繪圖:根據要求,我們選用了3個對射型光電開關和2個光纖傳感器。用CAD繪出了電氣控制原理圖和PLC接線圖:

圖1 電氣控制原理圖

圖2 PLC接線圖及工藝示意圖
程序編制:根據設備工藝要求和電氣原理圖來設計PLC 程序。海為公司為了用戶更好的應用PLC,還是做了大量的程序示例。海為的編輯軟件用著也挺好用,一下子就習慣了(附部分程序)。

圖3 部分程序圖
安裝配線:由于剛開始是驗證機械機構是否可行,配線有些倉促,沒打線號很快就配好了,我拍了照片:

圖4 控制柜圖
圖5 包裝線局部圖
運行調試:輸完了程序,開始運行。動作都在預期中,程序沒做改動,機械部分運行還算不錯,以后稍加改動就可以了(還特意拍了視頻給客戶看)。
個人體會:目前,PLC市場用進口的比較多,沒想到國產PLC海為做的這么好,身為國人,真應該拋去固有的觀念,為我們的中國夢而支持國有品牌了。
海為公眾號
海為云APP
廈門海為科技有限公司
0592-3278716 (技術) | 4000-360-362 (商務)
海為總部:廈門市集美區軟件園三期C03棟13-14層 | 制造中心:廈門市翔安區火炬高新區(翔安)產業區垵邊南路336-2號4樓