作者:廈門海為科技有限公司技術支持部
客戶要求檢測繼電器從得電到閉合的時間,特意打客服電話到海為公司技術支持部咨詢解決方案。根據客戶要求,我們知道繼電器吸合動作一般經歷以下幾個過程:
其中T1,T2是電動作,時間忽略不計;T4,T5是機械動作,線圈要克服彈簧力,最后我們求得時間T:
從理論上分析,對于繼電器10ms左右的吸合時間算比較快速,普通繼電器會達到幾十毫秒。但要是根據計算公式,我們既無法提供觸點之前距離的精確測量也無法知道繼電器在短時間內的動作速度,那么,我們是不是就沒有方法測量了呢?當然不是,以下為解決方案。
解決方案:
繼電器吸合的時間快速,如果用一般的定時器來計算吸合時間,誤差較大。海為PLC里提供了一個16us的系統時鐘,為系統寄存器SV49SV50,每隔16us寄存器會自動加1。
解決了高精度計時的問題,我們還要有快速的響應能力。海為全系列PLC開關量輸入X0-X7,分別提供了上升沿和下降沿邊沿捕捉中斷,中斷不受PLC掃描周期的影響,能夠達到快速響應。
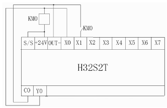
硬件接線:
根據客戶的要求和解決方案,我們簡單畫出接線圖如下:
工作原理:
我們用PLC的Y0輸出驅動繼電器線圈KM0,同時把Y0輸出信號接到X0進去,觸發X0上升沿中斷,并記錄此時SV49SV50的時間,當繼電器吸合時,常開觸點變為常閉,此時觸發X1上升沿中斷,在中斷程序里記錄下此時的SV49SV50的時間,兩次記錄的SV49SV50時間進行相減,就可以得到繼電器從上電到吸合的這段時間,最后把這個以16us為單位的時間間隔,轉成毫秒為單位,就可以得到這個閉合的高精度時間值。
程序編寫:
首先在海為PLC編程軟件的硬件配置里勾選邊沿中斷,如下圖所示:
主程序:綁定中斷,并且做多次測量數據記錄
X0上升沿中斷程序:
X1上升沿中斷程序:
用海為H系列主機測量得出繼電器吸合的時間間隔如下(30次 2組):

海為公眾號
海為云APP
廈門海為科技有限公司
0592-3278716 (技術) | 4000-360-362 (商務)
海為總部:廈門市集美區軟件園三期C03棟13-14層 | 制造中心:廈門市翔安區火炬高新區(翔安)產業區垵邊南路336-2號4樓